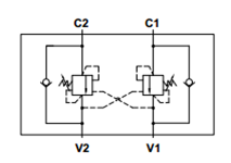
• Plate installation, pipe connection
• Two groups of working oil ports are sealed without leakage
• Stable opening pressure
• Less impact when opening and closing
• Effectively resist the impact of control oil
| Specification | Diameter | Rated pressure bar | Rated flow L/min |
| PH12S | 15 | 350 | 60 |
